
SPECIFICATIONS
Brand Name: NODEMCU LUA
Certification: None
DIY Supplies: Electrical
Model Number: IC LED Electronic Lights Kits
Origin: Mainland China
NE555 CD4017 IC LED Electronic Lights Kits Red Blue Dual-Color DIY Kit Strobe Electronic Suit Flashing Lights Components DIY
Guide Video: https://youtu.be/kbRPbSGusoU.
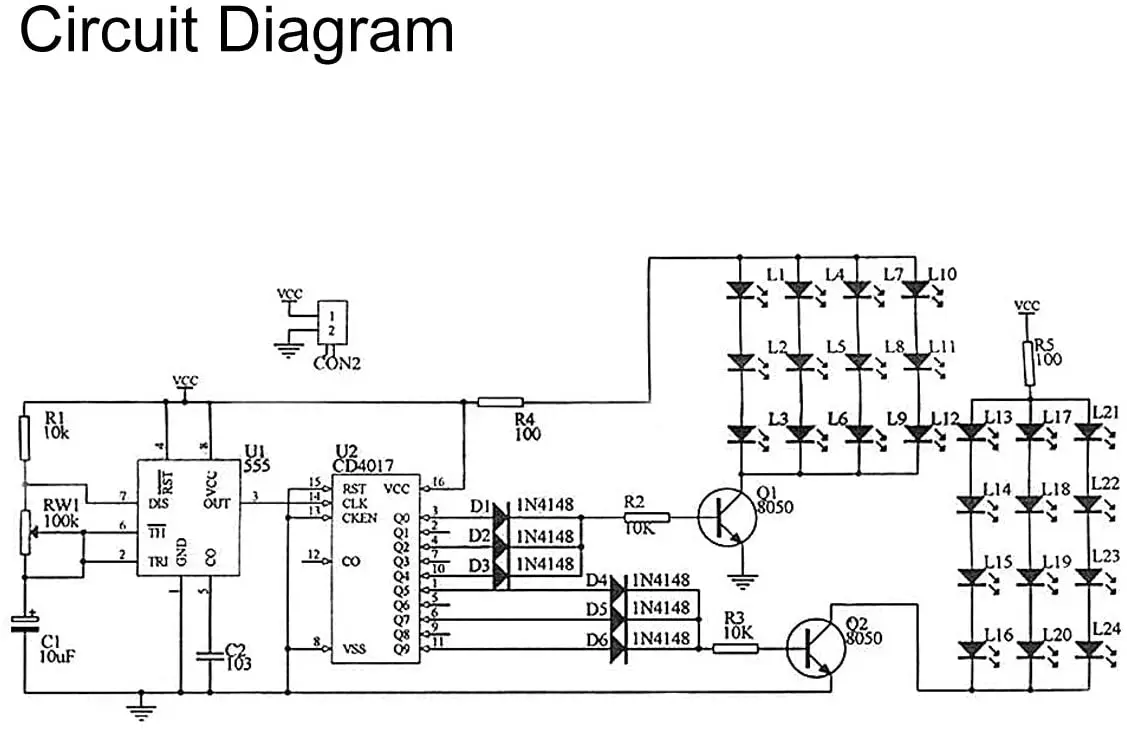
This is a very interesting circuit for simulating the visual effects of warning lights, blue and red lights flash alternately according to the pulse respectively. This kit is simple to assemble, suitable for electronics enthusiasts and students to practice. Design optimized for training, it adopts 1.6mm electric board and nice layout of the components.
Red flashing lights and blue flashing lights are in separately board, can move off from stamp hole to increase the distance or separate installation to other places.
The working voltage is DC9V-12V.
This suite adopts simulation light circuit made with NE555 and CD4017, the blue LED and red LED flashed alternately according to the pulse. The multivibrator composed of NE555 will have a certain frequency of oscillation signal send to CD4017 decimal counter/pulse distributor, in order to count.